Skip to main content

[Get 43+] Toyota Hiace Electrical Wiring Diagram Pdf

Get Images Library Photos and Pictures. 2008 Toyota Camry Wiring Schematics Wiring Diagram Article Article Amarodelleterredelfalco It 1989 Toyota Van Wiring Diagram Wiring Diagrams Img Random A Random A Farmaciastorelli It Toyota Granvia Wiring Diagram Wiring Diagram Expedition1 Expedition1 Concorsomusicalmuseo It Toyota Gsic 2019 Complete Set Workshop Manual Electrical Wiring Diagram Perdieselsolutions

First generation toyota hiace commercial vehicles were produced from 1967 to 1977. Reading toyota electrical wiring diagrams u 1 page 2.

. 2006 Toyota Hiace Original And Coloured Electrical Wiring Diagram Pdf This Manual Is Used In Toyota Hiace Electrical Wiring Diagram Electrical Circuit Diagram Toyota Hiace Wiring Diagram Pdf 1 Toyota Hiace Toyota Electrical Diagram Toyota Hiace 2006 2018 Electrical Wiring Diagram Auto Repair Software Auto Epc Software Auto Repair Manual Workshop Manual Service Manual Workshop Manual

Toyota Wiring Manual Wiring Diagram Design B Design B Sposamiora It Toyota Wiring Manual Wiring Diagram Design B Design B Sposamiora It

Toyota Wiring Manual Wiring Diagram Design B Design B Sposamiora It 1kz te engine pdf manual download.

Toyota Wiring Manual Wiring Diagram Design B Design B Sposamiora It

. 2shared online file upload unlimited free web space. Toyota hiace electrical wiring diagram manual pdf download1985 2013go to download full manualgeneral information engine mechanical engine lubrication system engine cooling system engine controlsystem fuel systemexhaust system accelerator control system clutch manual transaxle automatictransaxle transfer propeller shaft rear final drive front axle rear axle front suspension. Toyota hiace second generation produced from 1977 to 1982.

Describe the meaning of the 2 in diagram component s. Click here if you want to visit our forum. Connector ewd079e ewd138e ewd209e ewd255e ewd297e ewd365e sb020w sb037w sb070w sb082w sb100w.

We will get in touch to you as soon as posible. Toyota hiace electrical wiring diagram manual pdf download 1985 2013pdf download at 2shared. Fourth generation toyota hiace commercial vehicles were produced from 1989 to 2004.

Toyota hi ace pdf workshop and repair manuals wiring diagrams spare parts catalogue fault codes free download toyota service manuals toyota hiace 1989 2001 service manual toyota hiace 1995 1999 repair manual toyota hiace 1995 1999 wiring diagram toyota hiace 2006 electrical wiring diagram toyota hiace regius 1995 2006 service manuals repair manuals for toyota hi ace with diesel engines 2l. Understanding toyota wiring diagrams worksheet 1 1. Electrical wiring diagrams fault codes diagnostic trouble codes in pdf free download more than 200 toyota manuals.

A restyled version of the fifth generation of the toyota 4runnerthe car presentation was held in april 2013 in california usa. Some toyota hiace wiring diagrams are above the page. Toyota 4runner 5 door suv class k3.

Understanding toyota wiring diagrams information 2 toyota electrical wiring symbols u 1 page 3. Third generation cars were produced from 1982 to 1989. Toyota repair manuals owners manual electrical wiring diagrams.

Toyota alphard is a 5 door class l minivan. Click on document toyota hiace electrical wiring diagram manual pdf download 1985 2013pdf to start downloading. Toyota electrical wiring diagrams pdf above the page auris avalon avensis camry corolla hiace hilux land cruiser prius rav 4 supra yaris.

Describe the meaning of the c13 in the diagram component q. Toyota hiace electrical wiring diagram free toyota hiace electrical wiring diagram free language. Fo toyota hilux kzn165 series.

60 mb manuals lists. Describe the meaning of the g w in diagram component r. View and download toyota 1kz te repair manual online.

Toyota service workshop owners and repair manual. Feb 28 2018 toyota hiace electrical wiring 18102012 toyota hiace electrical wiring diagram manual pdf download 1985 2013 toyota yaris electrical wiring 18102012 toyota yaris electrical wiri.

Diagram 2001 Toyota Ta Electrical Diagram Full Version Hd Quality Electrical Diagram Wiringcctv11 Cattivissimome It Diagram 2001 Toyota Ta Electrical Diagram Full Version Hd Quality Electrical Diagram Wiringcctv11 Cattivissimome It

Toyota Hilux Wiring Diagram 2014 Completed Wiring Diagram Wheel B Bertarellisavino It Toyota Hilux Wiring Diagram 2014 Completed Wiring Diagram Wheel B Bertarellisavino It

Troubleshooting Manual Toyota Hiace Electrical Wiring Diagram Free Automotive Heavy Equipment Electronic Parts Catalogues Service Repair Manuals Workshop Manuals Troubleshooting Manual Toyota Hiace Electrical Wiring Diagram Free Automotive Heavy Equipment Electronic Parts Catalogues Service Repair Manuals Workshop Manuals

Hiace Fuel Pump Fuse Location Wiring Diagrams Location Location Adriengirod Fr Hiace Fuel Pump Fuse Location Wiring Diagrams Location Location Adriengirod Fr

1989 Isuzu Trooper Wiring Wiring Diagrams Img Horizon Horizon Farmaciastorelli It 1989 Isuzu Trooper Wiring Wiring Diagrams Img Horizon Horizon Farmaciastorelli It

Diagram 2001 Toyota Ta Electrical Diagram Full Version Hd Quality Electrical Diagram Wiringcctv11 Cattivissimome It Diagram 2001 Toyota Ta Electrical Diagram Full Version Hd Quality Electrical Diagram Wiringcctv11 Cattivissimome It

Diagrama Hiace 2kd 5le Throttle Airbag Diagrama Hiace 2kd 5le Throttle Airbag

Toyota Hiace S B V Rch12 13 18 19 22 23 28 29 Series Klh12 18 22 28 Series Service Repair Manual Ewd 2000 2011 Service Manual Download Toyota Hiace S B V Rch12 13 18 19 22 23 28 29 Series Klh12 18 22 28 Series Service Repair Manual Ewd 2000 2011 Service Manual Download

Toyota Hiace Gsic Workshop New Updated Manual Dvd Auto Repair Software Auto Epc Software Auto Repair Manual Workshop Manual Service Manual Workshop Manual Toyota Hiace Gsic Workshop New Updated Manual Dvd Auto Repair Software Auto Epc Software Auto Repair Manual Workshop Manual Service Manual Workshop Manual

Diagram Toyota Hiace User Wiring Diagram Full Version Hd Quality Wiring Diagram Ghnetworkwiring Classekiteboardingitalia It Diagram Toyota Hiace User Wiring Diagram Full Version Hd Quality Wiring Diagram Ghnetworkwiring Classekiteboardingitalia It

2008 Toyota Camry Wiring Schematics Wiring Diagram Article Article Amarodelleterredelfalco It 2008 Toyota Camry Wiring Schematics Wiring Diagram Article Article Amarodelleterredelfalco It

Diagram Toyota Hiace Van Wiring Diagram Full Version Hd Quality Wiring Diagram Vegaswiring Apposrl It Diagram Toyota Hiace Van Wiring Diagram Full Version Hd Quality Wiring Diagram Vegaswiring Apposrl It

Wiring Toyota Avensis Electrical Wiring Diagrams Manuals Full Hd Turntableab Kinggo Fr Wiring Toyota Avensis Electrical Wiring Diagrams Manuals Full Hd Turntableab Kinggo Fr

Diagram Toyota 5l Electrical Wiring Diagrams Manuals Full Version Hd Quality Diagrams Manuals Df1x44 Epaviste Gratuit Idf Fr Diagram Toyota 5l Electrical Wiring Diagrams Manuals Full Version Hd Quality Diagrams Manuals Df1x44 Epaviste Gratuit Idf Fr

Autotech4you Toyota Hiace Service Manual 1989 2004 Autotech4you Autotech4you Toyota Hiace Service Manual 1989 2004 Autotech4you

Diagram Toyota Hiace Wiring Diagram 1994 Full Version Hd Quality Diagram 1994 Eauclaireblackfriday Trodat Printy 4923 Fr Diagram Toyota Hiace Wiring Diagram 1994 Full Version Hd Quality Diagram 1994 Eauclaireblackfriday Trodat Printy 4923 Fr

1989 Toyota Van Wiring Diagram Wiring Diagrams Img Random A Random A Farmaciastorelli It 1989 Toyota Van Wiring Diagram Wiring Diagrams Img Random A Random A Farmaciastorelli It

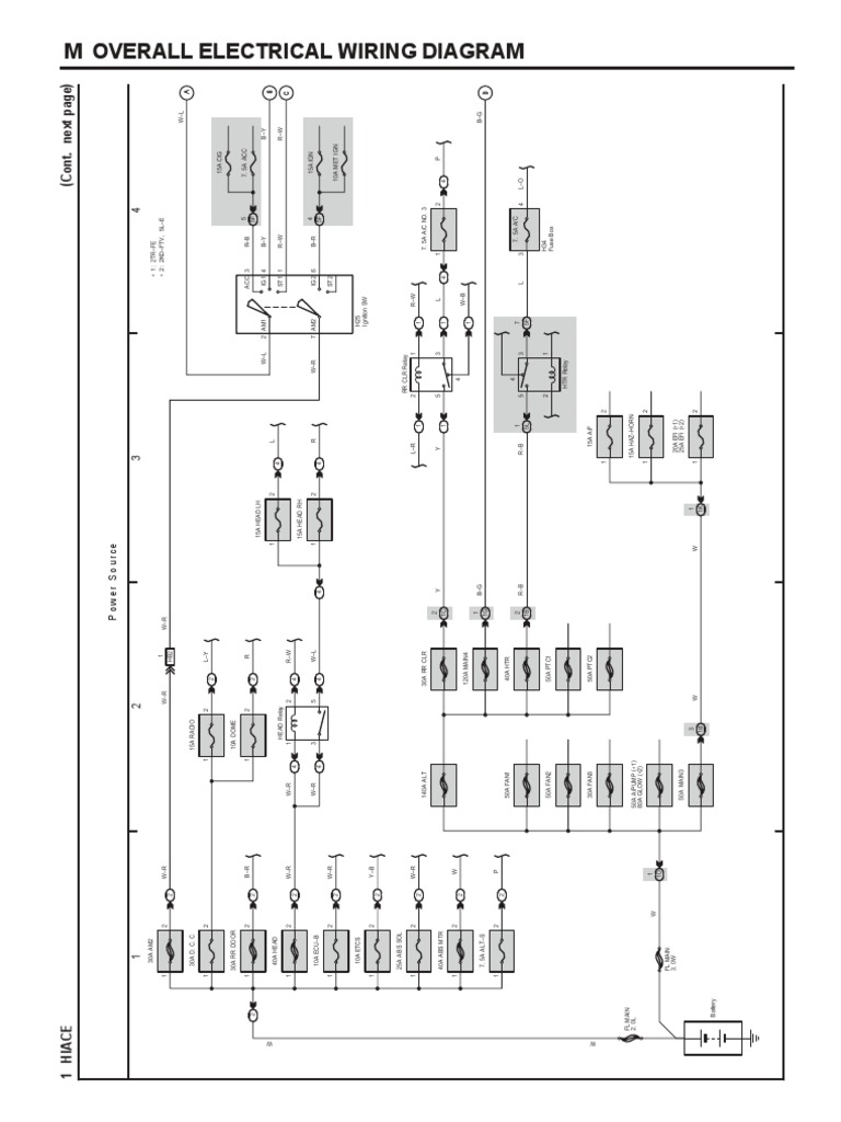
Electrical Wiring Diagram Toyota Hiace Electrical Wiring Diagram Toyota Hiace

Toyota Hi Ace Workshop Manuals Free Download Carmanualshub Com Toyota Hi Ace Workshop Manuals Free Download Carmanualshub Com

Toyota Liteace Wiring Diagram Wiring Diagrams Update Update Adriengirod Fr Toyota Liteace Wiring Diagram Wiring Diagrams Update Update Adriengirod Fr

Diagram Electrical Wiring Diagram Toyota Hiace Full Version Hd Quality Toyota Hiace Enginelub Renault4 Fr Diagram Electrical Wiring Diagram Toyota Hiace Full Version Hd Quality Toyota Hiace Enginelub Renault4 Fr

31 Toyota Pdf Manuals Download For Free Sar Pdf Manual Wiring Diagram Fault Codes 31 Toyota Pdf Manuals Download For Free Sar Pdf Manual Wiring Diagram Fault Codes

3 3

Xv 4283 Workshop Manual Maintenance Electrical Wiring Diagrams Toyota Hiace Download Diagram Xv 4283 Workshop Manual Maintenance Electrical Wiring Diagrams Toyota Hiace Download Diagram

3649 1997 Toyota Hiace Workshop Manual Pdf Wiring Library 3649 1997 Toyota Hiace Workshop Manual Pdf Wiring Library

Diagram 2001 Toyota Ta Electrical Diagram Full Version Hd Quality Electrical Diagram Wiringcctv11 Cattivissimome It Diagram 2001 Toyota Ta Electrical Diagram Full Version Hd Quality Electrical Diagram Wiringcctv11 Cattivissimome It

Toyota Hiace Workshop Repair Manual Toyota Hiace Workshop Repair Manual

Diagram Toyota Hiace Service Diagram Full Version Hd Quality Service Diagram Relayab Maremmagolfclub It Diagram Toyota Hiace Service Diagram Full Version Hd Quality Service Diagram Relayab Maremmagolfclub It

Comments

Popular posts from this blog

[36+] Schizzo Danese Zehen Disegno Facile

[Get 22+] Most Popular Valspar Exterior Paint Colors

Download Images Library Photos and Pictures. Popular Sherwin Williams Exterior Paint Colors Giving Peace Of Mind Exterior Paint Color Combinations Room For Tuesday 5 Best Home Exterior Paint Colors What Colors To Paint A House Exterior House Colors 12 To Help Sell Your House Bob Vila

17 ropa de fiesta mujer 2021 Pin en yuliett torres

If you are searching about campera de cuero y calzas Kevingston Mujer invierno 2015 | Notilook you've came to the right place. We have 7 Images about campera de cuero y calzas Kevingston Mujer invierno 2015 | Notilook like Vestidos de fiesta largos 2021 verano, T-shirt :° in 2021 | Roblox shirt, Shirts, Roblox and also Vestido Negro Punto de Seda - Tienda Ropa Mujer | Banes Moda. Here it is: Campera De Cuero Y Calzas Kevingston Mujer Invierno 2015 | Notilook notilook.com.ar kevingston campera calzas guapa notilook camperas otono Zara: Ver Catálogos Primavera/verano 2019 | RopaModaMujer.es ropamodamujer.es Pin En Yuliett Torres www.pinterest.com torres yuliett guapas nalgona rostro sexys T-shirt :° In 2021 | Roblox Shirt, Shirts, Roblox www.pinterest.com camisas rblx blackpink chimmy Vestido Negro Punto De Seda - Tienda Ropa Mujer | Banes Moda banesmoda.c...